Cirkulationspump MiniVISE Flo med högeffektiv invertermotor 0,6 kW
MiniVISE Flo är utrustad med en intuitiv digital touchskärm och drivs av en högpresterande invertermotor. Med en ljudnivå på endast 44 dBA vid 60 % kapacitet är detta Pahléns tystaste pump hittills – lika tyst som ett modernt kylskåp.
Egenskaper
- - Högklassig borstlös invertermotor
- - Digital display
- - 3 förinställda varvtalsprogram
- - Extern varvtalskontroll som tillbehör
- - Inbyggd timerfunktion (dag-/nattläge)
- - Maximal energibesparing och extremt tyst drift
- - Ljudnivå på 54 dB
- - Möjlighet till extern styrning (t ex. Aseko)
- - Energiklassning B

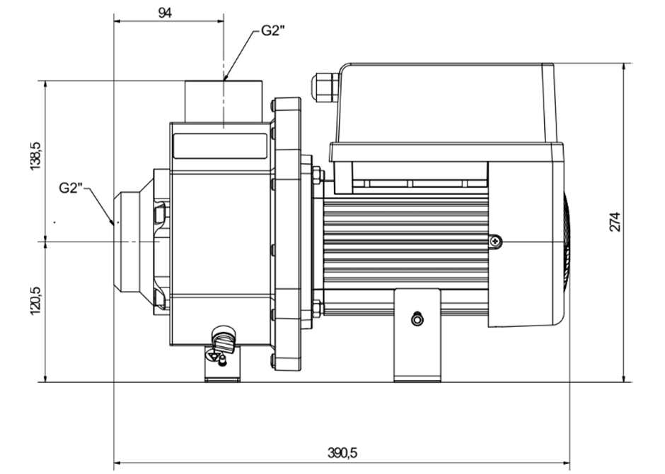
Dimensioner

Mått i bilden: total längd 390mm; max höjd 274mm; höjd från mark till anslutning 1 120,5mm; höjd från anslutning 1 till anslutning 2 138,5mm; djup från anslutning 1 till anslutning 2 94mm.

Mått i bilden: pumpens totala bredd 233 mm.
Produktblad, Användarmanual, Reservdelslista & Produktskiss


OBS! Manualen är för både MidiVise/MiniVise (med förfilter) och MidiVise FLO/MiniVise FLO (utan förfilter)

OBS! Reservdelslistan är för både MidiVise/MiniVise (med förfilter) och MidiVise FLO/MiniVise FLO (utan förfilter)







